TwitterLinkedinTelegramTelegram
Gilles MartyAllevatore - Francia16-Dic-2014
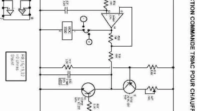
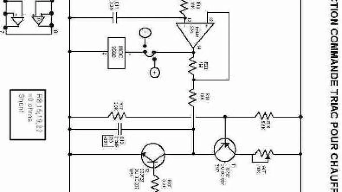
Shéma commande triac
X
XLinkedinWhatsAppTelegramTelegram
mi piacecommenta
condividere
Miei preferiti