L'intensificazione della lavorazione alimentare mediante ultrasuoni (HIUS-intensification of food processing using ultrasound) ha acquisito rilevanza a livello industriale grazie alla sua capacità di migliorare l'efficienza del processo senza compromettere la qualità del prodotto.
Materiali e Metodi: Questo studio ha indagato l'influenza di alcuni parametri HIUS sulla disidratazione osmotica (OD-osmotic dehydration) del lombo di suini, valutandone l'impatto sul trasferimento di massa, sulle proprietà fisico-chimiche, sulla struttura e sul comportamento termico. Sono state eseguite OD convenzionali (immersione) e con l'ausilio di HIUS (High-intensity ultrasound): si riferisce a onde sonore con frequenze superiori a 20 kHz e un'intensità maggiore di 1 W/cm2, capaci di indurre effetti fisici e meccanici sui materiali, specialmente biologici), variando l'intensità e il duty cycle (UA1: 50% - 0,5; UA2: 50% - 0,8; UA3: 90% - 0,5; e UA4: 90% - 0,8).

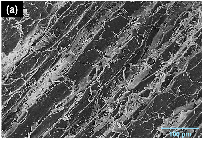
Risultati: I risultati hanno rivelato che le condizioni UA3 hanno migliorato significativamente la perdita d'acqua, l'incorporazione dei soluti e i coefficienti di diffusione dell'acqua (0,33 ± 0,06 × 10−10 m2/s) e dei solidi (2,36 ± 0,01 × 10−10 m2/s), ottimizzando così l'efficienza del processo. A livello composizionale, UA3 ha ottenuto una maggiore disidratazione (73,4 ± 1,0%) senza compromettere il contenuto proteico o la capacità di ritenzione idrica. È stata osservata una sostanziale riduzione dell'aw, passata da 0,98 ± 0,03 a 0,91 ± 0,00, un fattore chiave per l'OD. La microscopia elettronica a scansione ha rivelato una microstruttura più porosa con canali definiti, associata a un migliore trasferimento di massa. L'analisi termica ha confermato la diminuzione dell'acqua libera e l'aumento dei soluti incorporati, che si riflette in entalpie e temperature di fusione inferiori. Per quanto riguarda alcuni aspetti qualitativi, il colore è rimasto stabile nella maggior parte dei trattamenti e la riduzione della forza di taglio in UA2 e UA4 suggerisce un miglioramento della tenerezza del prodotto.
Conclusioni: Nel complesso, questi risultati posizionano HIUS come una tecnologia promettente per migliorare la conservazione della carne, consentendo processi più rapidi ed efficienti.
Rosalía Meléndez-Pérez, Jonathan Coria-Hernández, Influence of ultrasonic parameters on osmotic dehydration of pork loin: Effects on structure, composition, and mass transfer, Meat Science, Volume 233, 2026, 110011, ISSN 0309-1740, https://doi.org/10.1016/j.meatsci.2025.110011.

